ITR8307/S17/TR8 是亿光电子推出的一款贴片漫反射光电开关传感器,集成红外发射与接收元件,凭借紧凑尺寸和稳定性能,广泛适配消费电子与工业控制场景,以下是其特性、工作原理与应用的详细解读:
- 核心特性
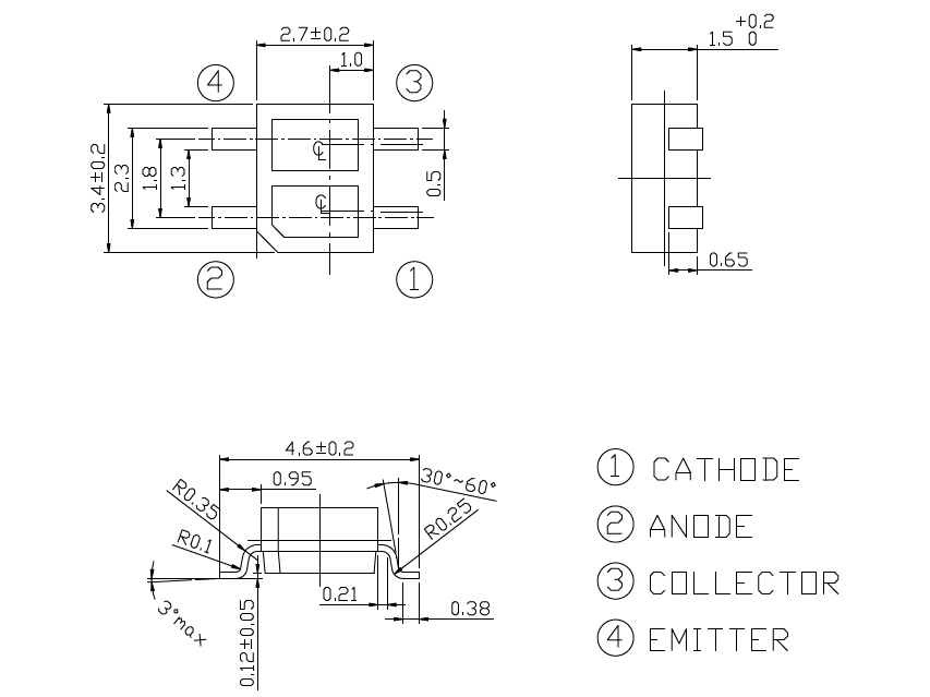
- 紧凑贴片封装:采用 PTSW_3.4×2.7×1.5mm 的薄小型 SMT 封装,适配表面贴装工艺,占用电路板空间极小,能满足电子设备小型化、高密度组装的需求,同时其焊接温度可耐受 260℃(持续 5 秒),适配常规贴片焊接流程。且产品无铅,符合 RoHS 环保标准,适配各类绿色电子产品生产要求。
- 优异电气与光学性能:发射端正向电压为 1.2 - 1.6V,正向电流最大值 50mA,反向电压达 5V;接收端集电极最大电流 50mA,集射饱和电压仅 0.4V,功耗仅 75mW,低功耗特性适配电池供电设备。其发射的红外光峰值波长为 940nm,搭配高灵敏度 NPN 光敏晶体管接收,集射暗电流仅 100nA,抗环境光干扰能力强,检测精度高。
- 响应迅速且环境适应性强:上升与下降响应时间均为 20μs,能快速捕捉光信号变化,可满足中高速检测场景需求。工作温度范围为 - 25℃~+85℃,存储温度范围为 - 40℃~+100℃,能在高低温等复杂环境下稳定工作,适配办公、工业等多类场景。另外通过调整外接电阻,感应距离可在 5mm - 15mm 之间灵活调节,适配不同近距离检测需求。
- 工作原理该传感器内置砷化镓红外发光二极管发射器和 NPN 光电晶体管接收器,整体基于漫反射光电检测原理工作。通电后,发射器会将输入电流转化为 940nm 的红外光信号持续射出;当检测范围内出现目标物体时,红外光会被物体表面漫反射,接收器捕捉到反射光后,内部 NPN 光电晶体管导通,输出相应电信号;若检测范围内无物体,红外光无法反射回接收器,光电晶体管处于截止状态,输出信号发生反转。外部电路可通过识别这两种信号状态的切换,判断目标物体的有无或运动状态。同时其响应时间可达 20μs,能快速完成信号的发射、反射接收与电信号转换。
- 典型应用
- 办公自动化设备:这是其核心应用领域之一,常用于打印机、复印机、扫描仪中,负责纸张检测,比如判断纸张是否卡纸、是否缺纸,以及纸张传输过程中的位置定位,保障设备稳定走纸与打印扫描流程;也可用于扫描仪的扫描头定位,确保扫描精度。
- 消费电子与健身器材:在相机中可用于镜头伸缩位置检测,保障对焦等机械动作的精准性;在跑步机等健身设备上,能检测跑带的运行状态或用户的运动动作,实现速度监测、安全启停等功能;还可作为非接触式开关,应用于智能家电的触控替代场景,如小型家电的感应启停按键。
- 工业与测控设备:适用于小型电机的转速计数,通过检测电机编码盘的转动,捕获脉冲信号计算转速,比如小型设备惯量轮的转速测量;也可作为机械部件的限位开关,用于小型机械臂、自动化流水线的微型部件行程终点检测,避免部件超程损坏;此外还能用于点钞机的纸币计数、教育卡片机的卡片识别等设备中,实现物体的计数与识别功能。



芯光电子,可提供免费样品测试,可提供产品电路,技术支持。
芯光电子主要产品包括:红外发射管,红外接收头,红外接收管,插件发射管,贴片红外发射管,红外发射接收管,光电耦合器,光电开关,反射式光电开关,槽型光电开关,对射式光电开关。发光二极管,贴片LED,插件LED,0402贴片LED,0603贴片LED,0805贴片LED,1206贴片LED,贴片双色灯等发光二极管。
