热门搜索: 1 IRM IRM-3638JF ITR1204 EL2501S1(K)(TU)-G 1502 PT67-21C 红外接收头 ITR2152S ITR1502 ITR ITR2152 PT11-21C PT91-21C/TR7 IR91-21C PT91-21C/TR10 PT91-21B ITR1205 光电开关,发射接收管在三大感应的应用 pd
更新时间:2026-01-16
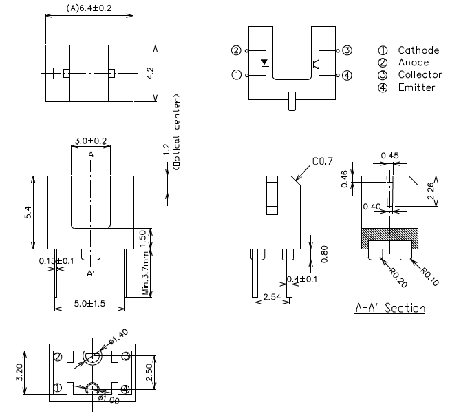
点击次数: 槽型光电开关ITR20403可适配于非接触式限位检测,利用红外光电检测,可避免工业机械限位检测时的机械磨损。
ITR20403光电开关波长 940nm,响应时间 15μsec,VCE=30V,IP54 防护;集电极光电流≥200μA,无铅 RoHS 认证。

适配数控机床刀具行程、注塑机模具开合检测:非接触式设计避免机械碰撞磨损,15μsec 快速响应可匹配 200 步 / 转步进电机高频动作;
抗干扰优势:940nm 红外波长过滤车间 LED 灯 / 阳光干扰,误报率≤0.1%。
安装便捷:槽宽适配 1.6mm 以上遮光片,适合 SMT 自动化贴装,批量生产效率提升 3 倍。

非接触式(避免机械磨损):优先光电开关ITR20403,适合高频动作机械(如机床、贴片机);