PT91-21B/TR10 本质是一种光敏三极管,仅对特定波长的红外光敏感(通常匹配红外发射管的 850nm 或 940nm 波长),其工作逻辑分为两步:
- 光信号接收:当红外光照射到三极管的基极时,会激发产生光生载流子,相当于给基极提供了一个 “光电流信号”。
- 电信号转换:基极的光电流会控制集电极与发射极之间的导通状态,光强越大,集电极电流越大;无红外光时,管子近似截止,仅存在微弱的漏电流。
简单来说,它通过 “红外光有无 / 强弱” 来控制 “电路通断 / 电流大小”,实现光信号到电信号的单向转换。
了解这些参数能帮你判断是否适配应用场景,该型号的核心参数如下:
- 光谱响应峰值:典型值为 940nm,与主流红外发射管IR91-21C/TR10波长匹配,确保信号接收效率。
- 暗电流(Id):无光照时的漏电流,通常在 nA 级别(如 0.1nA@Vce=5V),漏电流越小,抗干扰能力越强。
- 光电流(Ic):有光照时的集电极电流,典型值为 1mA@Vce=5V、光照强度 1mW/cm²,电流越大,信号输出越明显。
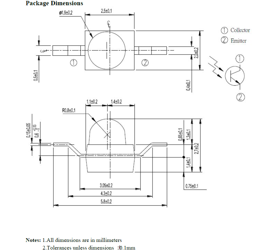
- 封装形式: “小蝴蝶状封装”,体积小、易焊接,适合 PCB 板或简易电路安装。
其应用核心是 “接收红外信号并转化为电信号”,常见场景包括:
- 红外遥控接收:用于电视、空调、机顶盒等设备的遥控信号接收,搭配红外接收模块(需加滤波、放大电路)使用,直接接收遥控器发射的编码信号。
- 红外感应检测:在自动感应灯、人体感应开关中,配合红外发射管组成 “发射 - 接收” 对管,当物体遮挡红外光时,接收管电流变化,触发电路动作。
- 短距离红外通信:在低速、短距离(通常 10 米内)的数据传输中,如玩具遥控、简易设备数据交互,作为接收端采集红外载波信号。


