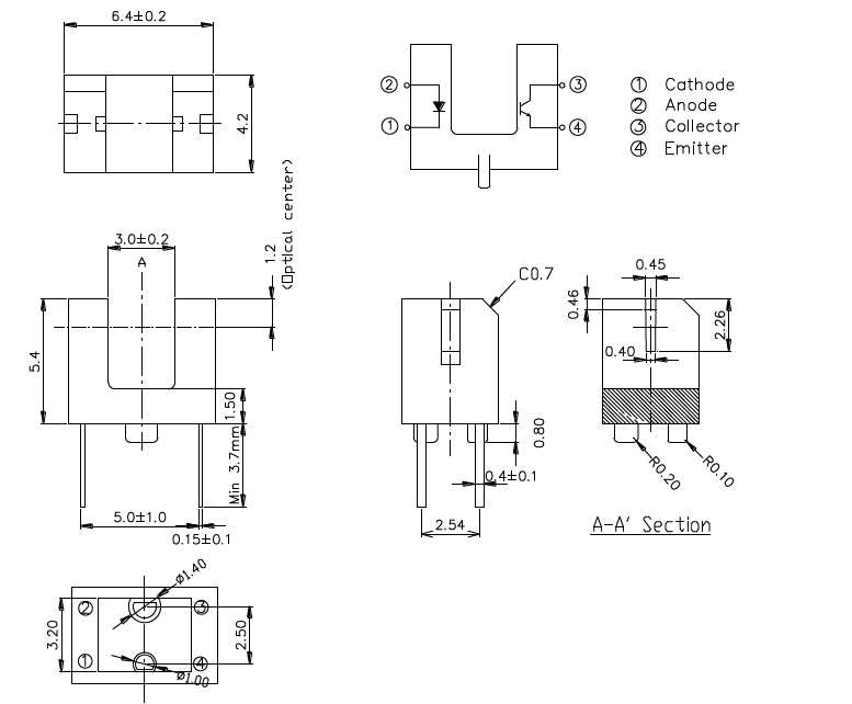
亿光槽型光电开关ITR20403是一颗槽距为3.0MM的对射式光电开关,整体宽度为6.4MM,发射管GaAlAs材料芯片,透明胶体;接收管Silicon材料芯片,黑色胶体。可替换罗姆RPI-352,夏普GP1S094HCZ_E光电开关。以下是亿光槽型光电开关ITR20403的参数尺寸图:



ITR20403 作为槽宽 3mm 的超小型槽型光电开关,凭借体积小、响应快、抗干扰强等特点,广泛适配工业控制、消费电子、办公自动化等多个领域,其具体应用场景如下:
- 工业自动化领域
- 小型零部件检测计数:在电子元件生产线中,像电阻、电容等小型零部件传输过程中,每经过该光电开关的 3mm 槽口,就会遮挡一次光路,设备通过记录遮挡次数实现精准计数;同时还能检测零部件是否到位,若零部件未到达指定位置,光路不被遮挡,系统可触发报警或停机指令,避免后续工序出错。
- 马达精准控制:可安装在小型马达的传动结构处,通过检测马达转轴上齿轮的转动状态,齿轮每转动一齿便会遮挡一次光路。控制器依据光路遮断的脉冲信号,判断马达的转速和转动角度,进而实现马达启停、正反转以及调速等精准控制,适配小型电机驱动的自动化设备。
- 办公自动化设备领域
- 纸张传输检测:在传真机、复印机和扫描仪中,它是纸张传输检测的关键部件。当纸张通过设备内部的传输通道时,会穿过该光电开关的槽口,遮挡红外线,以此确认纸张的存在和传输位置。若出现卡纸导致纸张停滞,光路持续被遮断,设备会立即停机并提示故障,防止设备损坏。
- 扫描定位辅助:扫描仪的扫描头移动过程中,可借助 ITR20403 检测扫描头的位移。通过预设光路遮断的间隔与扫描进度的对应关系,确保扫描头移动均匀,提升扫描图像的清晰度和规整度。
- 消费电子领域
- 影像设备部件定位:在数位相机、光碟机中,用于检测核心部件的位置。比如数位相机的镜头伸缩机构,镜头移动时带动遮挡片穿过 3mm 槽宽,光电开关输出的信号可反馈镜头是否到达对焦位置;光碟机中则可检测光盘托盘的进出状态,确保托盘精准闭合或弹出。
- 小型智能家电控制:在扫地机中,可用于检测滚刷的转动状态,若滚刷被毛发缠绕停转,光路遮断状态不变,设备可发出报警提示;在智能门锁里,能检测锁芯的转动角度,确认门锁是否完全锁闭,保障门锁使用的安全性。
- 其他小型设备领域
- 投影仪对焦调节:投影仪的自动对焦系统中,ITR20403 可检测镜头的旋转位置。镜头转动时带动相关齿轮部件,齿轮每转一齿遮挡一次光路,产生的脉冲信号能让控制系统精准判断镜头位置,从而快速完成自动对焦,提升投影画面清晰度。
- 投币机检测:投币机的硬币通道处安装该光电开关,当硬币掉落穿过槽口时,遮挡红外线,系统接收到信号后确认投币成功,进而触发后续的设备运行指令,如启动游戏机、售货机出货等功能。
