PT26 - 51B/TR8 是亿光电子推出的一款 1206 封装侧贴球头红外接收管,本质为微型 NPN 型光电晶体管,凭借小体积、快响应等优势,适配多种小型精密电子设备,以下是其核心特性的详细解析:
- 光学性能优异,适配红外通信场景
- 固定峰值波长:峰值波长稳定在 940nm,属于近红外波段,能与多数红外发射管的光谱精准匹配,可高效接收对应波段的红外信号,是红外遥控、感应等场景的主流适配波长。且其暗电流最大仅 100nA,在无红外光照射的黑暗环境中,漏电流极小,能减少无效功耗,同时降低信号误触发概率。
- 球头镜头增强接收效果:采用黑色球头(Domed)镜头设计,黑色镜头可减少杂散光干扰,球头结构则有助于汇聚红外光线,提升对红外信号的接收灵敏度,让器件在较远距离或光线复杂环境下也能稳定捕捉信号。
- 电气参数稳定,可靠性强
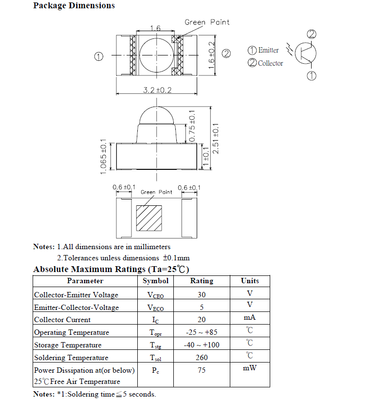
- 耐压与电流适配性好:其集电极 - 发射极击穿电压达 30V,集电极 - 发射极电压额定值为 5V,能承受一定范围内的电压波动;集电极额定电流 20mA,集电极 - 发射极饱和电压 400mV,可适配多数小型电子设备的电路驱动需求,避免因电压电流波动损坏器件。
- 低功耗适配便携设备:器件的功率耗散仅为 75mW,功耗水平较低,契合无线耳机盒、智能手环等对功耗敏感的便携设备需求,可助力延长设备续航时长。
- 响应速度快:上升时间和下降时间均为 15μs,能快速响应红外信号的变化,可支持 38kHz 以上载波频率,可处理高精度编码信号,能满足红外遥控等需要快速信号交互的场景,减少信号延迟。
- 封装与结构适配高密度布局
- 1206 侧贴小巧紧凑:采用 1206 标准贴片封装,外形尺寸仅 3.2×1.6×2.51mm,侧视安装方式(Side View)搭配表面贴装工艺,不仅焊接便捷,还能节省 PCB 板的垂直空间,非常适合高密度 PCB 布局,适配微型遥控器、无线耳机盒等空间受限的小型设备。
- 标准化包装便于量产:采用卷带式(Tape and Reel)包装,符合贴片生产线上的自动化贴装流程,能提高生产效率,降低批量生产时的组装成本,适配电子制造业的量产需求。
- 环境适应性与合规性佳
- 宽温域稳定工作:工作温度范围覆盖 -25℃~85℃,无论是寒冷的户外环境,还是设备运行时产生热量的内部场景,都能保持稳定的电气性能,适配家电、安防设备等多种使用环境。
- 环保合规无隐患:满足无铅、RoHS 以及欧盟 REACH 标准,且卤素含量符合低卤要求(溴<900ppm,氯<900ppm,溴 + 氯<1500ppm),契合全球电子行业的环保法规,可规避出口贸易中的环保合规风险。
- 兼容性强,应用场景广泛该器件工作电压适配 2.7V - 5.5V 的常见电路电压范围,与多数单片机、微控制器的供电系统兼容性强,无需额外设计复杂的电压转换电路。其应用场景涵盖微型遥控器、无线耳机盒、智能手环等小型便携设备,也可用于家电红外接收模块、安防感应装置、投币机等设备的红外信号接收单元。


红外线接收管系列产品:
PD12-21B/TR8;PD15-21B/TR8;PD15-21C/TR8;PD15-22B/TR8;PD15-22C/TR8;
PD204-6B;PD204-6B/L3;PD333-3B/H0/L2;PD333-3B/L3;
PD333-3C/H0/L2;PD42-21B/TR8;PD438B;PD438B/L1;PD438B/S20;PD438C;PD638B;PD638B/TR1-11;
PD638C;PD70-01B/TR10;PD70-01B/TR7;PD70-01C/TR7;PD95-21B;PD95-21B/TR10;PD95-21C/TR7;
PT104-6B;PT11-21C/L41/TR8;PT12-21B/TR8;PT12-21C/TR8;PT15-21B/TR8;PT15-21C/TR8;
PT17-21B/L41/TR8;PT17-21C/L41/TR8;PT19-21B/L41/TR8;PT19-21C/L41/TR8;PT204-6B;
PT204-6B-12;PT204-6B-51;PT204-6C;PT23-21C/TR8;PT2559B/L2;PT2559B/L2/H2;PT26-21B/CT;
PT26-21B/TR8;PT26-21C/TR8;PT264-6B;PT26-51B/TR8;PT26-61B/TR8;PT26-71B/TR8;PT28-21C;
PT3254-6B-109/L593/T1/F182-206;PT333-3B;PT334-6B;PT334-6B-52;PT334-6C;PT42-21B/TR8;
PT5529B/L2;PT5529B/L2/F354;PT5529B/L2/H2-F;PT57-21B/TR8;PT67-21B/L41/TR8;PT67-21C/L41/TR8;
PT67-21C/L606/TR8;PT908-7B;PT908-7B-F(BIN3);PT908-7C(BIN4);PT908-7C/F1;PT908-7C/F298(BIN3);
PT908-7C-F(BIN3);PT91-21B;PT91-21B/L369/TR10;PT91-21B/L41/TR7;PT91-21B/TR10;PT91-21B/TR7;
PT91-21B/TR9;PT91-21C;PT91-21C/TR10;PT91-21C/TR7;PT928-6B(6-1);PT928-6C(6-1);PT928-6C(6-2);
PT928-6C(7-1);PT928-6C(X3-X5);PT928-6C/F1;PT968-8C;
红外线发射管系列产品:
HIR11-21C/L11/TR8;HIR17-21C/L289/TR8;HIR19-21C/L11/TR8;HIR204;HIR204C;HIR204C/H0;HIR234C;HIR25-61B/L423/2T;HIR26-21B/L423/CT;HIR26-21C/L289/CT;HIR26-81B/L423/2T;HIR333C/H0;HIR333C/H0/F182-197;
HIR333C/H0-A;HIR42-21C/L289/TR8;HIR4383-14C/L289;HIR67-21C/L289/TR8;HIR7393B/L289;HIR7393C;HIR83-01B/TR8;HIR8323/C16;HIR8383C/L289;HIR89-01C/1R;HIR91-01C/L297/2T;HIR91-21C/TR10;HIR-C19D/L298-P01/TR;HIR-C19D-1N90/L558-P03/TR;
IR103C;IR11-21C/TR8;IR12-21C/2D;IR12-21C/TR8;IR15-21C/L10/TR8;IR15-21C/TR8;IR17-21C/TR8;IR19-21C/TR8;IR19-315C/TR8;IR204/F182-155;IR204/H16/L10;IR204/H60;IR204/H60/F182-179;IR204-40;IR204-A;IR204-A-L;IR204C/H16/L10;
IR204C-110/F182-206;IR204C-A;IR204C-A-L;IR234C;IR2424-3C;IR25-21C/2T;IR26-21C/L110/CT;IR26-21C/L110/TR8;IR26-21C/L447/CT;IR26-21C/L447/TR8;IR264C;IR26-51C/L110/TR8;IR26-61C/L261/TR8;IR26-61C/L302/TR8;IR26-61C/L447/TR8;
IR26-71C/L302/CT;IR26-91C/L675/2R;IR313;IR323/H0-A;IR333/H0/L10;IR333/H0-A;IR333-A;IR333C;IR333C/H0/L10;IR333C/H0/L10/F45-327;IR333C/H0/L318;IR333C/H0-A;IR333C/H2;IR333C/H2/L10;IR333C-6-A;IR333C-A;IR383;IR383-A;IR4103-2/F13;
IR4204-10/C16;IR42-21C/TR8;IR57-21C/TR8;IR67-21C/L261/S65/TR8;IR67-21C/L491/TR8;IR67-21C/TR8;IR7373C;IR7383/H65;IR7393C;IR7393C/F182-197;IR8294;IR8394-20C/TR1-11;IR89-01C/L447/1R;IR908-7C;IR908-7C/F298(E4);IR908-7C-F(E4);
IR91-21C;IR91-21C/TR10;IR91-21C/TR7;IR91-21C/TR9;IR91-21C-105/TR7;IR928-6C(6-1);IR928-6C(6-2);IR928-6C(X8-X12)(XBY);IR928-6C/F1(6-1);IR928-6C/F272/HF;IR928-6C/F315;IR928-6C-F(6-1);IR968-8C;IR968-8P;IRB339-1C;
IRB339-1C/F376;IR-C19D-N90/L562-P03/TR;SIR17-21C/TR8;SIR19-21C/TR8;SIR19-315/TR8;SIR204-A;SIR333-A;SIR333-A/TR1;SIR333C;SIR333C-A;SIR67-21C/TR8;SIR8383C/L492;SIR91-21C/TR10;SIR91-21C/TR7。
