IRM-H938T/TR2 是亿光推出的 4 引脚 SMD 红外接收头,内置 PIN 光敏二极管与专用 IC,核心是接收 38kHz 载波红外信号并解调为数字方波,可直接供 MCU 解码,适用于家电、影音与机顶盒等红外遥控场景。
核心原理
- 光电转换:黑色环氧封装作红外滤光片,仅透过 850–1100nm 红外光;内部 PIN 二极管将红外脉冲转为微弱电流信号。
- 放大滤波:前置放大器放大信号,带通滤波器锁定 38kHz 载波,抑制可见光与杂波干扰。
- 解调整形:解调器剥离载波,还原原始编码;整形电路输出干净方波,可直接被微处理器读取解码(如 NEC、RC5 协议)。
- 抗干扰设计:内置 EMI 防护、AGC 自动增益控制,提升环境光抗扰能力,保障信号稳定。
典型应用电路
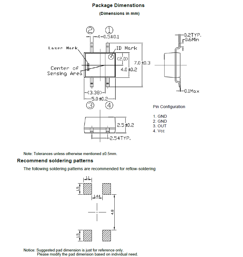
- 基础连接:Vcc(4 脚)接 2.0–5.5V,串联 47–220Ω 限流电阻;GND(1/2 脚)接地;OUT(3 脚)接 10kΩ 上拉电阻到 Vcc,输出端接 MCU IO 口。
- 去耦与滤波:Vcc 与 GND 间并 2.2μF 以上电解电容,靠近引脚放置,抑制电源噪声。
布局要点:远离强干扰源(如开关电源、电机);接收窗口朝向遥控发射端,避免遮挡。



- 影音设备:TV、音响、DVD、机顶盒等红外遥控接收端。
- 家用电器:空调、风扇、加湿器等的红外控制模块。
- 多媒体设备:投影仪、车载影音、数码相框等短距红外通信。
- 智能硬件:配合 MCU 实现红外遥控信号解码,用于智能家居中控、遥控玩具等。
- 载波匹配:遥控器需用 38kHz 载波,否则无法正常解调;最小脉冲串 12 个周期、最小间隙 16 个周期。
- 上拉电阻:OUT 为集电极开路输出,必须接 10kΩ 左右上拉电阻,确保电平正常。
- 电源稳定:电源纹波需小,去耦电容靠近 Vcc/GND 引脚,防止电压波动导致信号错误。
- 安装与环境:避免强光直射接收窗口;PCB 布局时信号路径短,远离高频干扰源。
IRM-H938T/TR2 集成度高、抗干扰强、电路简洁,是红外遥控接收的高性价比选择。只要匹配 38kHz 载波、规范电源滤波与 PCB 布局,即可稳定应用于各类消费与工业设备。
